Automation cheese production line in Uzbekistan





  • Automation cheese production line in Uzbekistan

  • Automation cheese production line in Uzbekistan

    Uzbekistan, Samarkand

  • Branch:

    Cheese

  • Year:

    2019

  • About the project:

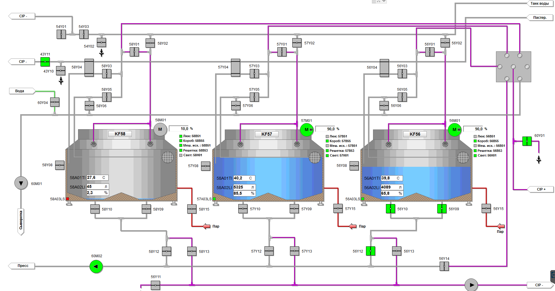
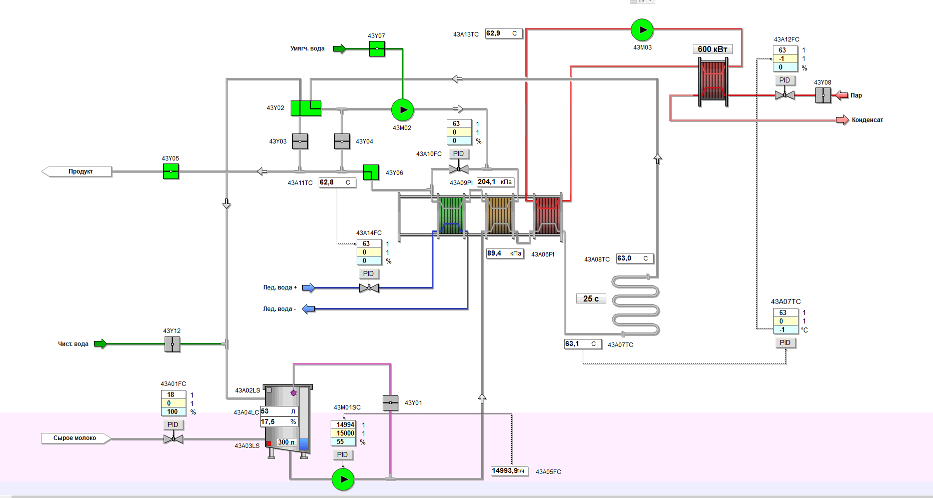
    Aprotec Engineering carried out the development of PLC, HMI, SCADA software, electrical installation and commissioning of an automated cheese production line.

     


    The control system is based on Siemens S7-1500 PLC, Siemens Siamatic KTP 1200 control panels, operator workstation.

     


    By using the latest generation of Siemens control systems, you can prepare your plant for the future thanks to a system that can be expanded flexibly. All control elements and control panels are connected to the company network, which allows you to control the process from the office at any time.

Works performed by Aprotec Engineering

  • PLC software development
  • HMI software development
  • SCADA software development
  • Integration into the client's existing control system
  • Electric installation work
  • Commissioning works
  • Training

Technical features:

  • Single-circuit CIP station - 1 pc.
  • Pasteurizer 12 000 l/h - 1 pc.
  • Cheese makers 6000 l - 3 pcs.
  • Number of electrical cabinets - 11 pcs.
  • PLC: Siemens S7-1500 1513-1P
  • Operational control: HMI Siemens Siamatic KTP 1200
  • SCADA system
  • Automatic reporting system for product production, equipment washing
  • Frequency converter: Danfoss
Automation cheese production line in Uzbekistan
Automation cheese production line in Uzbekistan
Automation cheese production line in Uzbekistan
Automation cheese production line in Uzbekistan
Automation cheese production line in Uzbekistan
Automation cheese production line in Uzbekistan
Automation cheese production line in Uzbekistan
Automation cheese production line in Uzbekistan
Automation cheese production line in Uzbekistan
Automation cheese production line in Uzbekistan
Automation cheese production line in Uzbekistan
Automation cheese production line in Uzbekistan